身份证二维码二合一扫码模组
EST-100MR二合一多功能识读器模组是一款集成了一维码识别、二维码识别、身份证信息读取、IC卡读写的多种功能的智能身份证二维码识别模组,非常适合嵌入各种行业的产品中使用,例如自助机、排队叫号机、机器人、人脸测温一体机、访客机、人证机、通道闸机、门禁、图书借阅终端、医疗终端、银行终端等设备里面,安装灵活,固定方便。

产品主要特点:
1、EST-100MR二合一身份证二维码识读器采用身份证核验专用小模块,无需联网,脱机即可读取身份证芯片里面的全部身份信息。
2、采用二维嵌入式识读引擎,应用了国际先进的芯片化智能图像识别技术,可识读各类主流一维条码及标准二维条码,非常适合嵌入各种行业的产品中使用。
3、二维码识读码制:2D:PDF417, QR Code, DataMatrix, etc;1D:Code 128, EAN-13, EAN-8, Code 39, UPC-A, UPC-E, Codabar, Interleaved 2 of 5, ITF-6, ITF-14, ISBN, Code 93, UCC/EAN-128, GS1 Databar, Matrix 2 of 5, Code 11, Industrial 2 of 5, Standard 2 of 5, Plessey, MSI-Plessey, etc
4、广东东信智能科技有限公司EST-100MR身份证小模组性能强,支持多种通信方式,包括USB接口、TTL串口、RS232串口,可根据终端设备不同接口选择对应型号使用。身份证小模组支持个性化定制,包括天线板尺寸定制、接口定制等。
5、广东东信智能科技有限公司EST-100MR尺寸小,便于安装,提供开放的应用程序接口(SDK开发包)。
二次开发支持:
Windows:支持C、C#、C++、Delphi、Java,VC,VB,PB、Python等语言二次开发;
Android:提供Demo开发源码,可提供测试的apk;
BS开发:支持JSP、PHP、ASP、HTML、ASPX等WEB语言的二次开发,提供网页浏览器的Demo;
Linux:支持;
单片机:支持,可提供串口底层通讯协议。
国产系统:支持麒麟、统信等国产操作系统网页开发使用。
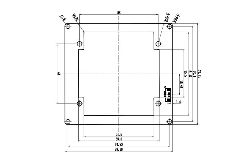
身份证+二维码天线板尺寸图:

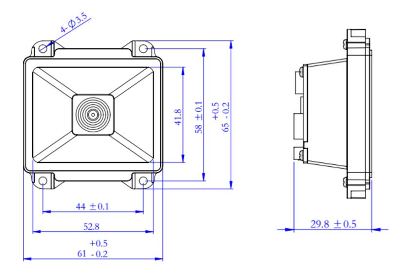
二维码尺寸图:

大、小模组产品实物图:

(*由于产品升级或其他原因,身份证二维码二合一扫码模组产品实际参数有可能变更,以实际产品为准。本文中的所有陈述、信息和建议也不构成任何明示或暗示的担保)
上一篇: 身份证+IC二合一大模组
下一篇: 内置式多功能智能卡扫码墩












































